| 日本OKM閥門:特殊的橡膠夾套可以完全控制流體。維護容易,結構緊湊,具有高耐久性 |
| 利用特殊橡膠套的彈力來完全控制流體,在閥體內部通過擠壓強力特殊橡膠套來控制開關,結構簡單緊湊,是貫通型漿液閥,長壽命、易維護,壓力損為零。適用于石油、礦漿、水泥、粉體、漿料、下水道污泥等液體,即使混入固態(tài)物質也可完全截斷 |
 |
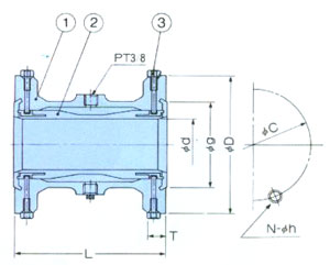
704
 |
 |
尺寸 重量表
|
公稱口徑 |
704 |
|
Inch |
mm |
d |
g |
D |
L |
T |
C |
N |
h |
重量 |
|
1 |
25 |
25 |
63 |
125 |
160 |
18 |
90 |
4 |
M16 |
4.6 |
|
1 1/2 |
40 |
40 |
75 |
140 |
160 |
20 |
105 |
4 |
M16 |
7.1 |
|
2 |
50 |
50 |
90 |
155 |
170 |
20 |
120 |
4 |
M16 |
7.1 |
|
2 1/2 |
65 |
65 |
109 |
175 |
185 |
22 |
140 |
4 |
M16 |
9.7 |
|
3 |
80 |
80 |
121 |
185 |
230 |
22 |
10 |
8 |
M16 |
16.8 |
|
4 |
100 |
98 |
147 |
210 |
285 |
24 |
175 |
8 |
M16 |
16.8 | 標準材質表
|
番號 |
部件名稱 |
材質 |
|
1 |
閥體 |
FC250 |
|
2 |
套管 |
CR |
|
3 |
螺栓 |
SUS340 | |
|
702
 尺寸 重量表
|
公稱口徑 |
702 |
|
Inch |
mm |
L |
H |
D |
C |
T |
W |
重量 |
|
1 |
149 |
202 |
125 |
90 |
16 |
180 |
10 |
4.6 |
|
1 1/2 |
40 |
184 |
247 |
140 |
105 |
18 |
180 |
10 |
|
2 |
50 |
211 |
269 |
155 |
120 |
18 |
180 |
18 |
|
2 1/2 |
65 |
260 |
318 |
175 |
140 |
18 |
200 |
23 |
|
3 |
80 |
289 |
359 |
185 |
150 |
18 |
224 |
31 |
|
4 |
100 |
338 |
413 |
210 |
22 |
315 |
55 |
16.8 |
|
5 |
125 |
407 |
442.5 |
250 |
210 |
22 |
315 |
55 |
|
6 |
150 |
480 |
483 |
280 |
240 |
32 |
400 |
78 |
|
8 |
200 |
665 |
640 |
330 |
290 |
34 |
400 |
140 |
|
10 |
250 |
785 |
846 |
400 |
355 |
34 |
355 |
228 |
|
12 |
300 |
935 |
914 |
445 |
400 |
40 |
355 |
355 |
|
14 |
350 |
1090 |
1030 |
490 |
445 |
50 |
400 |
500 | 標準材質表
|
番號 |
部件名稱 |
材質 |
|
1 |
閥體 |
FC250 |
|
2 |
套管 |
NR.CR |
|
3 |
軸 |
SUS403 | |